Erro L18 - Nó no interior da laje
A laje é definida no interior de um contorno fechado, formado por vigas e barras conectadas entre si, e/ou com os pilares. Para o lançamento das lajes, é necessário que todas as conectividades entre os elementos estejam corretas e que não existam nós isolados, no interior do contorno que apoia a laje. Caso haja alguma inconsistência no lançamento, o AltoQi Eberick emitirá o Erro L18 - Nó no interior da laje. Abaixo destaquei os lançamentos que mais comumente emitem este erro.
Para encontrá-los no seu lançamento, você pode utilizar o comando Lançamento - Outros - Verificar lançamento (botão
), que identifica lançamentos inconsistentes com o modelo estrutural do programa. Para mais informações sobre esta verificação, recomendo a leitura do artigo Erro na montagem do modelo estrutural.
Falta de conectividade entre elementos
São os problemas de definição de contorno mais comuns, referindo-se ao lançamento de vigas. Ocorre caso estas não estejam conectadas corretamente aos pilares ou a outras vigas. Isto pode ser causado, por exemplo, quando a captura de elementos estiver desligada no momento em que as vigas foram inseridas.

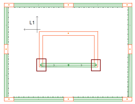
Outro exemplo quanto a falta de conectividade é em relação ao lançamento de pilar U utilizando o novo modelador de lajes descrito no artigo Lajes definidas por pilares de grandes dimensões. Observe na figura abaixo que o nó da viga não está corretamente conectado ao pilar, sendo posicionado no seu interior.

Havendo encontrado a inconsistência no lançamento, como os dois exemplos indicados nas figuras anteriores, basta corrigir a conectividade e reinserir a laje para corrigir o seu contorno. Isto pode ser feito com a ferramenta Lançamento - Vigas - Adicionar trechos (botão
), ou então Lançamento - Barras e nós - Reposicionar nó (botão
).
Nó dentro da laje
Conforme destacado anteriormente, os contornos de lajes devem ser fechados, sem elementos no seu interior. No caso da figura abaixo, perceba que há um pilar ligado a uma viga no interior da laje. Isto faz com que o seu contorno seja aberto, impossibilitando a montagem do modelo. Neste caso, você deve retirar os elementos do interior da laje, ou então estender a viga até outro ponto de apoio, de modo a dividir o contorno da laje em dois. Isto pode ser feito com a ferramenta Lançamento - Vigas - Adicionar trechos (botão
):

Em algumas situações de projeto, é necessário que as vigas sejam posicionadas em uma posição interna a uma laje, sem fechar um polígono de contorno. Até a chegada da atualização 2024-08, o Eberick não possuía um recurso nativo para solucionar este tipo de concepção, uma vez que as vigas conectadas às lajes deveriam sempre gerar um polígono fechado. Caso contrário, o programa emitia o ErroL18 durante o processamento da estrutura.

A partir dessa atualização, o programa passará a processar este tipo de estrutura, permitindo uma amplificação de soluções estruturais sem a necessidade de realizar “adaptações técnicas”, que dão trabalho e quebram o fluxo de projeto.
Para utilizar o recurso, basta acessar as configurações de Análise e, no diálogo Painéis de lajes habilitar a opção Permitir viga no interior da laje

Pilar excêntrico ao eixo da viga
O AltoQi Eberick considera que as lajes tem sua área definida até o eixo de suas vigas de contorno. Desta maneira, caso um pilar seja lançado excêntrico ao eixo de uma dessas vigas, estará no interior da laje. Neste caso, é necessário ajustar o lançamento deste elemento. O artigo Pilar excêntrico ao eixo da viga explica em detalhe como realizar este procedimento.

Lançamentos interiores à laje
No AltoQi Eberick 2022 ou versão anterior, a modelagem das lajes é um pouco diferente, sendo necessário tomar cuidados adicionais. No caso de lajes planas, é possível inserir pilares no interior da laje, mas estes não podem estar ligados por vigas. Caso estejam, o Erro L18 será emitido. Isto é razoavelmente comum em casos de edificações com um núcleo rígido, como mostrado na figura abaixo:
Observação: A partir da versão AltoQi Eberick 2023, a modelagem compreende o contorno formado por pilares e vigas no interior de uma laje. Veja mais detalhes a respeito desse lançamento nos artigos Lajes definidas por pilares de grandes dimensões e Lançamento de lajes de beiral.

Para corrigir este lançamento, no AltoQi Eberick 2022 ou versão anterior, você pode dividir a laje em três por meio de vigas, lançadas com altura semelhante à espessura da laje para apresentarem comportamento mais semelhante ao da própria laje. Um exemplo deste lançamento pode ser visto abaixo.

Cabe destacar que o programa irá identificar estas vigas como pertencentes à estrutura, de modo que os detalhamentos serão gerados de acordo. Neste caso, você poderá mantê-los, ou caso opte por não executá-las em obra, o projetista deverá analisar como irá considerar as dimensões e o efeito das vigas lançadas para divisão das lajes no modelo. O detalhamento final também pode ser ajustado com as ferramentas do Editor de Armaduras.
Pilares nascendo sobre radier ou lajes planas
Em projeto onde há pilares nascendo sobre um radier ou quando há lajes apoiadas diretamente sobre pilares, o programa pode apresentar o Erro L18 caso as verificações de punção e o modelo de dimensionamento completo não estejam habilitados.
Observação: A partir da versão 2023, o programa permite pilares nascendo sobre lajes maciças, lajes nervuradas e patamares de escada. Veja mais detalhes no artigo Pilar nascendo em laje no AltoQi Eberick.


Estas situações de projeto também demandam verificações de punção específicas. Portanto, é necessário que esta verificação esteja habilitada no AltoQi Eberick, permitindo o processamento e dimensionamento da estrutura. Para habilitar o dimensionamento das lajes à punção acesse o menu Estrutura - Configurações - Projeto - Dimensionamento - Lajes, nesta janela clique no botão Punção e habilite o item Verificar lajes à punção.

Após habilitar corretamente as configurações para verificação de punção em lajes, será eliminado o Erro L18 em pilares nascendo sobre radier ou lajes apoiada diretamente sobre pilares. Caso possua pilares nascendo em lajes maciças ou nervuradas, há algumas verificações adicionais conforme descrito no artigo Pilar nascendo em laje no AltoQi Eberick.