Estribos em pilares no AltoQi Eberick
Ao realizar o detalhamento de pilares através do AltoQi Eberick, diversos critérios normativos são levados em consideração, de modo a realizar um detalhamento correto das armaduras longitudinais e transversais, levando em consideração diversos fatores que possuem influência direta no desempenho do elemento estrutural.
No vídeo a seguir o Engenheiro Luiz Fellipe explica os tipos e funcionalidades dos estribos em pilares:
Estribos suplementares
O item 18.2.4 da norma NBR6118:2014 especifica que, sempre que houver possibilidade de flambagem das barras da armadura, deve-se tomar medidas para que esta seja evitada. No caso de pilares, todas as barras longitudinais poderão flambar, uma vez que encontram-se comprimidas, o que implica em que todas deverão ser travadas de alguma maneira.
Em casos de pilares com um número menor de barras, este travamento pode ser feito unicamente pelos estribos poligonais (principais). O mesmo item da norma versa que: “Os estribos poligonais garantem contra a flambagem as barras longitudinais em seus cantos e as por eles abrangidas, situadas no máximo à distância de 20Φt do canto, se nesse trecho de comprimento 20Φt não houver mais de duas barras, não contando a de canto”.
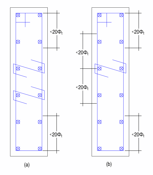
Isto significa que os estribos poligonais realizarão o travamento de até duas barras longitudinais, sem contar a barra de canto, desde que estas estejam a uma distância menor que 20Φt da face do estribo. Caso o pilar possua barras além desta distância, ou mais de duas barras nesta distância, será necessário prever estribos suplementares que assegurarão o travamento dessas barras adicionais. As figuras abaixo representam os casos onde o estribo suplementar deve, ou não, ser aplicado:

- Figura (a): neste caso, as duas barras localizadas no centro da seção do pilar está a uma distância menor de 20Φt do canto do estribo poligonal. Desta maneira, ela se encontra assegurada contra a flambagem.
- Figura (b): perceba que neste caso, todas as barras encontram-se a uma distância menor do que 20Φt do canto do estribo poligonal. Todavia, perceba que nesta distância há mais de duas barras, sendo que a terceira barra na seção deverá ser travada por um estribo suplementar.
- Figura (c): neste caso, as barras no centro da seção estão a uma distância maior do que 20Φt , sendo necessário prever o estribo suplementar.
No que diz respeito ao travamento realizado pelo estribo suplementar, a norma NBR deixa em aberto se ele deve ser considerado apenas para as barras que compreende, ou também para barras adjacentes. Na última hipótese, os estribos suplementares também possuem uma capacidade de travamento de 20Φt, como mostrado na figura abaixo. Autores como Fusco especificam que este travamento poderá ser considerado também para barras adjacentes. Abaixo, a figura (a) mostra a situação onde se desconsidera o travamento do estribo suplementar, e a figura (b) onde esse travamento é considerada. Além disso, tanto a norma quanto o autor consideram que o estribo suplementar deverá possuir uma bitola similar ou igual à do estribo poligonal. 
Estas disposições poderão ser configuradas pelo usuário no AltoQi Eberick acessando o menu Configurações – Detalhamento – Pilares, como mostrado abaixo. Nesta janela, será possível alterar a distância de travamento e também o número de barras que poderão ser travadas nesta distância. Além disso, também é possível determinar a bitola do estribo suplementar (como uma bitola fixa, ou igual à do estribo) e se o travamento das barras adjacentes aos estribos suplementares poderá ser considerada.

Estribos abertos em pilares
Segundo o item 18.4.3 da NBR6118:2014 a armadura transversal de pilares, constituída por estribos e, quando for o caso, por grampos suplementares, deve ser colocada em toda altura do pilar, sendo obrigatória sua colocação na região de cruzamento com vigas e lajes.
No entanto, a utilização de estribos fechados na região de encontro com vigas pode dificultar a montagem das armaduras, visto que dificulta o encaixe das armaduras longitudinais das vigas apoiadas nos pilares.
Desta forma, o AltoQi Eberick permite a utilização de estribos abertos no encontro com vigas, facilitando a montagem das armaduras, visto que estes estribos podem ser posicionados e fixados na barras longitudinais dos pilares após o encaixe das armaduras das vigas.
No AltoQi Eberick, a aplicação destes estribos pode ser habilitada mantendo o item Adotar estribos abertos na região de cruzamento com as vigas ativo no menu Estrutura - Configurações - Projeto - Detalhamento - Pilares".

Com este item habilitado o programa irá criar uma região adicional de estribos, posicionados ao longo de toda altura da viga que se cruza com o pilar.

Caso o projetista opte por não utilizar estribos abertos no encontro com vigas, serão detalhados estribos fechados distribuídos ao longo de toda altura do pilar.

Neste caso, deve-se avaliar a compatibilização das armaduras de pilares e vigas na região de intersecção em obra, visando atender as prescrições da NBR6118:2014.