Modelos para dimensionamento de blocos de fundação no Eberick
Modelos para dimensionamento de blocos de fundação
Este artigo apresenta os dois modelos adotados pelo Eberick para o dimensionamento de blocos de fundação: o método das bielas e tirantes e o método de modelo de ruptura. Neste artigo, você irá encontrar:
Ambos são fundamentados na NBR 6118:2014 e são selecionados automaticamente pelo programa conforme a geometria do bloco e a distribuição das estacas.
Fundamento normativo
Segundo a NBR 6118, item 22.7.1, os blocos de fundação são classificados como:
-
Blocos rígidos: transferência de carga sem deformações significativas, sendo os esforços resistidos majoritariamente por compressão do concreto.
-
Blocos flexíveis: deformações significativas com necessidade de armaduras tracionadas.
O Eberick considera apenas blocos rígidos e aplica dois métodos de dimensionamento conforme a simetria e o número de estacas.

Método das bielas e tirantes
Conceito
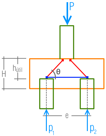
O método é aplicado quando as estacas estão equidistantes do centro do bloco, geralmente em blocos com 1, 2 ou 3 estacas em linha. O modelo considera o bloco como uma treliça estrutural, com:
-
Bielas (em vermelho): regiões comprimidas do concreto que transmitem os esforços do pilar às estacas.
-
Tirantes (em azul): armaduras tracionadas entre as estacas, que resistem às forças de afastamento entre elas.
Dimensões do bloco
A altura útil do bloco é calculada com base no espaçamento entre estacas e no ângulo de inclinação (θ) das bielas. Para representar corretamente um bloco rígido, o ângulo deve estar entre 45° e 63°, conforme a NBR 6118.
No Eberick 2019 ou superior, o usuário pode configurar o ângulo entre 34° e 63° via:
Estrutura > Configurações > Projeto > Dimensionamento > Blocos > Biela
As dimensões gerais do bloco também dependem de:
-
Dimensões do pilar
-
Cobrimento da estaca
-
Diâmetro e espaçamento entre estacas
Caso o modelo gerado não atenda aos esforços solicitantes, o programa testa geometrias com mais estacas.
Determinação dos esforços
O dimensionamento das armaduras considera:
-
Carga vertical total (peso próprio + carga do pórtico + binário por momento fletor)
-
Verificações críticas:
-
Um lado mais comprimido → verifica-se a biela mais solicitada
-
Outro lado tracionado → verifica-se a tração na estaca
-
O dimensionamento adota a combinação mais crítica de carregamento.
Verificação das bielas
A biela de compressão é verificada para tensão solicitante versus tensão admissível junto ao pilar e à estaca:
-
Se a tensão solicitante for menor que a admissível, o dimensionamento é considerado satisfatório (Ok).
-
Caso contrário, o programa aumenta a altura do bloco para garantir resistência.

Método de ruptura (modelo de viga)
Quando é utilizado?
O modelo de ruptura é aplicado quando o bloco possui:
-
Mais de 3 estacas ou
-
Distribuição assimétrica das estacas, impossibilitando o uso de bielas/tirantes.

Conceito
Adota-se um modelo semelhante ao de viga sobre apoios simples (estacas), aplicando conceitos da teoria elástica para estimar os esforços e dimensionar as armaduras.
Dimensões do bloco
A altura útil é definida com base no ângulo de 45° entre a diagonal da estaca mais distante e a horizontal. As dimensões dependem da altura, espaçamento e diâmetro das estacas.
Determinação dos esforços
-
O modelo considera uma seção de referência plana (S1), perpendicular à altura do bloco.
-
O momento fletor nessa seção é calculado considerando:
-
Reações nas estacas
-
Distância das estacas à seção S1
-
No Eberick, a seção S1 é posicionada no centro do pilar (conforme recomendação adotada pelo software).
As armaduras são dimensionadas para resistir aos momentos em ambas as direções do bloco.
Segundo Souza (2004), o modelo de viga é apropriado para blocos com grande número de estacas e distâncias elevadas ao pilar, sendo uma extensão do modelo de bielas para armaduras longitudinais.

Em suma, o Eberick seleciona automaticamente o modelo de dimensionamento de blocos mais adequado à geometria e simetria das estacas:
-
Método de bielas e tirantes: blocos com até 3 estacas e simetria.
-
Modelo de ruptura: blocos com mais de 3 estacas ou disposição assimétrica.
Ambos os modelos garantem dimensionamento seguro e conforme normas técnicas, com automatização completa pelo software.
Perguntas frequentes
O método de Santos não aparece disponível na janela de dimensionamento de blocos. O que pode ser?
O método de Santos é aplicável apenas a blocos com pilares retangulares, ortogonais ao bloco, lançados pelo comando Pilar de fundação e com mais de uma estaca. Ele não se aplica a:
-
Pilares não retangulares;
-
Fundações associadas;
-
Pilares rotacionados em relação ao bloco.
Nessas situações, o programa utiliza os métodos de Blevot e Frémy ou a análise por flexão, conforme o caso.

Como o Eberick realiza a verificação das tensões nas fundações?
A partir dos valores de profundidade yyy e da inclinação da biela θ\thetaθ, o programa verifica as tensões atuantes e resistentes no pilar e nas estacas. Se as tensões não forem atendidas, o programa ajusta os parâmetros até encontrar uma configuração válida. Caso isso não seja possível, a fundação não será dimensionada e será exibido um impedimento.
O método de Santos e o de Blevot e Frémy geram os mesmos resultados?
Não. Apesar de utilizarem formulações semelhantes para cálculo das armaduras, os métodos consideram variáveis distintas, como a tensão de tração na armadura principal. Isso pode levar a resultados diferentes.